| 触点形式 | 触点材料 | 接触电阻 | 触点负载(阻性) | 最大切换电流(阻性) | 最大切换电压(阻性) | 最大切换功率 | 电气寿命 | 机械寿命 |
1A、1B | 银合金 | ≤1mΩ(1A 6VDC) | 60A 250VAC 90A 250VAC 100A 250VAC | 60A 90A 100A | 250VAC | 15KVA 22.5KVA 25KVA | 1×104 次 OPS | 1×105 次 OPS |
| 绝缘电阻 | 介质耐压 | 动作时间 | 复归时间 | 温度范围 | 振动 |
1000MΩ (500VDC) | 触点与线圈间 : 4000VAC 1min 断开触点间 : 2000VAC 1min | ≤20ms | ≤20ms | -40℃~70℃ | 10Hz~55Hz 1.5mm 双振幅(DA) |
| 湿度 | 冲击 | 引出端方式 | 封装形式 | 重量 | |
| 稳定性 | 强度 | ||||
5%-85%RH | 98m/s² | 980m/s² | 快连接式 QC | 防尘罩型 | 约 : 50g |
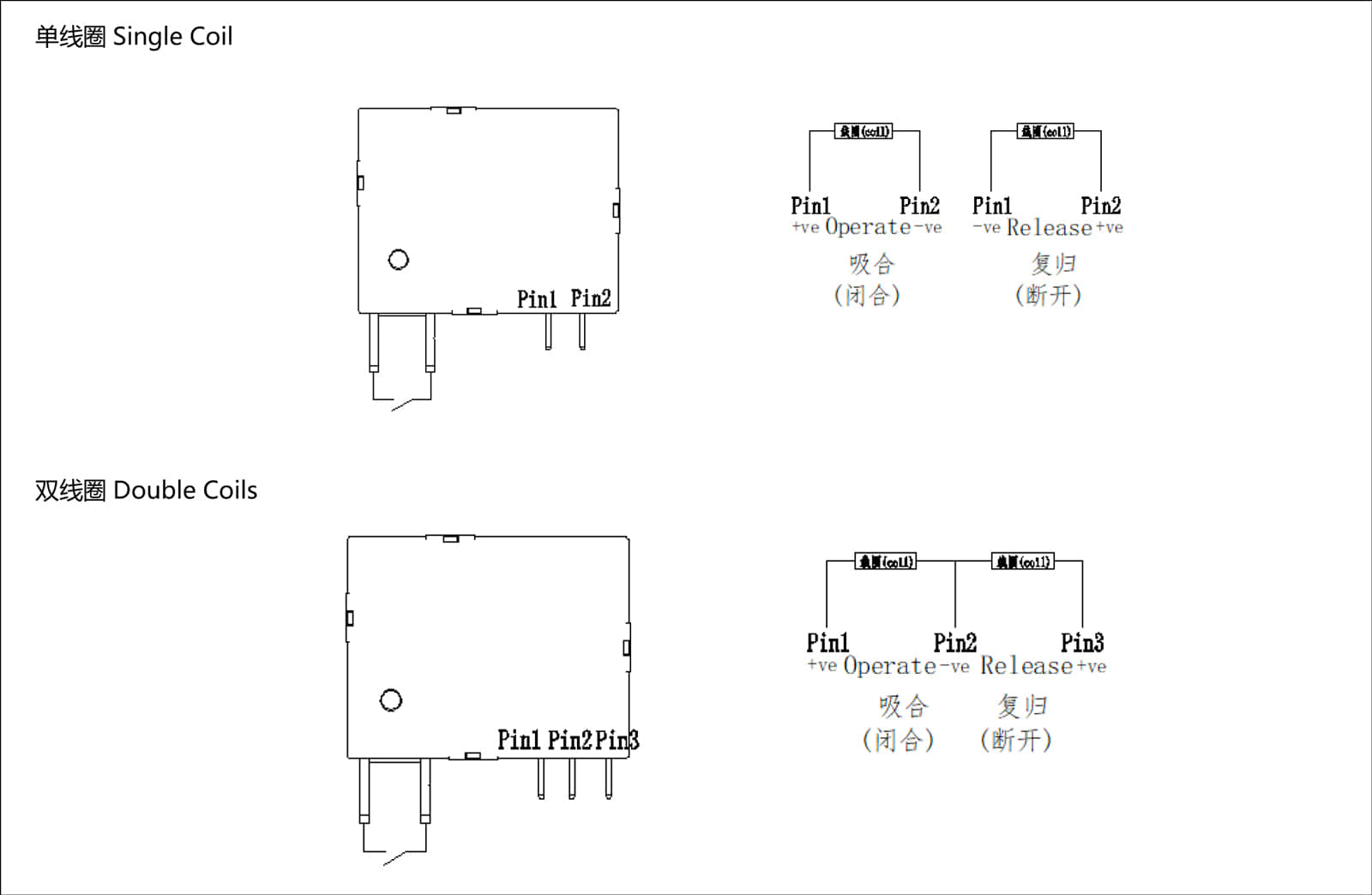
| 额定电压 | 动作/复归电压 | 脉冲宽度 | 线圈电阻 Ω±10% | 线圈功耗 | |
| 5 | ≤4 | ≥100 | 单线圈 | 16.7 | 约 : 1.5 |
| 6 | ≤4.8 | ≥100 | 24 | ||
| 9 | ≤7.2 | ≥100 | 54 | ||
| 12 | ≤9.6 | ≥100 | 96 | ||
| 24 | ≤19.2 | ≥100 | 384 | ||
| 48 | ≤38.4 | ≥100 | 1536 | ||
| 5 | ≤4 | ≥100 | 双线圈 | 8.4/8.4 | 约 : 3.0 |
| 6 | ≤4.8 | ≥100 | 12/12 | ||
| 9 | ≤7.2 | ≥100 | 27/27 | ||
| 12 | ≤9.6 | ≥100 | 48/48 | ||
| 24 | ≤19.2 | ≥100 | 192/192 | ||
| 48 | ≤38.4 | ≥100 | 768/768 | ||




注意事项:
1、 磁保持继电器出厂状态为动作或复归状态,但因运输或继电器安装时受到冲击等因素的影响,可能会改变状态,因而使用时(电源接入时)请根据需要重新将其设置为复归状态或动作状态;
2、 为了确保磁保持继电器动作或复归,施加到线圈上的激励电压须达到额定电压,脉冲宽度须大于动作或复归时间的 5 倍;不要同时向动作线圈和复归线圈施加电压;不要长时间(大于 1 分钟)向线圈施加电压;
3、 不带软铜绞线的磁保持继电器负载引出脚不能焊锡,不能随意扳动。
4、 继电器通常为防尘罩结构,外接件按照客户特殊要求定制,所以推荐此产品的储存时间小于 6 个月,并注意仓储环境;同时为保证产品接触可靠性,在客户没有特别申明的情况下,我司将控制继电器触点为闭合状态。