| 触点形式 | 触点材料 | 接触电阻 | 最大切换电流 | 最大切换电压 | 最大切换功率 | 电气寿命 | 机械寿命 |
1A | 银合金 | ≤10mΩ (1A 6VDC) | 200A | 830VAC | 45650VA | 1×104 次 (接通 55A,载流 200A,断开 55A,800VAC,阻性) | 1×106 次 OPS |
| 绝缘电阻 | 介质耐压 | 动作时间 | 释放时间 | 环境温度 | |
1000MΩ (500VDC) | 触点与线圈间 : 5000VAC 1min 断开触点间 : 2000VAC 1min | ≤30ms | ≤10ms | -40℃~+85℃ | |
| 振动 | 冲击 | 引出端方式 | 封装形式 | 重量 | |
| 稳定性 | 强度 | ||||
10Hz~55Hz 1.5mm 双振幅(DA) | 98m/s²(20G) | 980m/s² (100G) | 印制板式 PCB | 防焊剂式 | 约 : 216g |
| 额定电压 | 动作/复归电压 | 释放电压 | 最大允许电压 | 线圈电阻 Ω±10% |
| 6 | ≤4.2 | ≥0.6 | 7.2 | 12 |
| 9 | ≤6.3 | ≥0.9 | 10.8 | 27 |
| 12 | ≤8.4 | ≥1.2 | 14.4 | 48 |
| 24 | ≤16.8 | ≥2.4 | 28.8 | 192 |



注意事项:
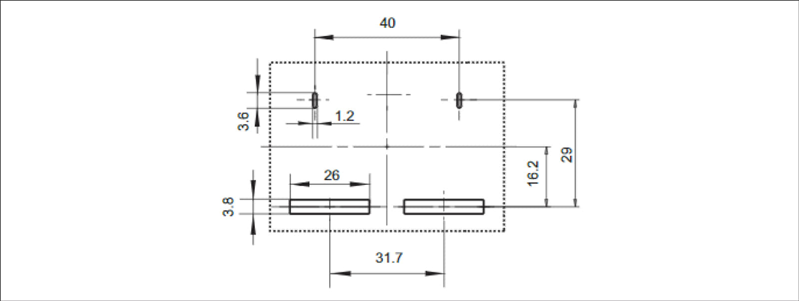
(1)产品部分外形尺寸未注尺寸公差,当外形尺寸≤1mm,公差为±0.2mm;当外形尺寸在 1~5mm 之间时,公差为±0.3mm;当外形尺寸>5mm 时,公差为±0.4mm;
(2)安装孔尺寸中未注尺寸公差的均为±0.1mm。