| 触点形式 | 触点材料 | 接触电阻 | 最大切换电流 | 最大切换电压 | 最大切换功率 | 电气寿命 | 机械寿命 |
1A | 银合金 | ≤10mΩ (20A 6VDC) | 65A | 277VAC | 18005VA | 3×106 次 OPS (65A 277VAC, 85℃,阻性负载,1 秒通 9 秒断) | 1×106 次 OPS (无负载,动作频率:300 次/分钟) |
| 绝缘电阻 | 介质耐压 | 动作时间 | 释放时间 | 环境温度 | |
1000MΩ (500VDC) | 触点与线圈间 : 5000VAC 1min 断开触点间 : 2000VAC 1min | ≤30ms | ≤10ms | -55℃~+85℃ | |
| 振动 | 冲击 | 引出端方式 | 封装形式 | 重量 | |
| 稳定性 | 强度 | ||||
10Hz~55Hz 1.5mm 双振幅(DA) | 98m/s²(10G) | 980m/s² (100G) | 印制板式 PCB | 防焊剂式 | 约 : 100g |
| 额定电压 | 动作/复归电压 | 释放电压 | 最大允许电压 | 线圈电阻 Ω±10% | 线圈功耗 |
| 6 | ≤4.2VDC | ≥0.6VDC | 6.6V | 18.8 | 1.92W |
| 9 | ≤6.3VDC | ≥0.9VDC | 9.9V | 42.2 | |
| 12 | ≤8.4VDC | ≥1.2VDC | 13.2V | 75 | |
| 24 | ≤16.8VDC | ≥2.4VDC | 26.4V | 300 |
| 安全认证 | 证书编号 | 负载 |
| CQC | CQC22002332030 | 65A 277VAC 48A 277VAC |



注意事项:
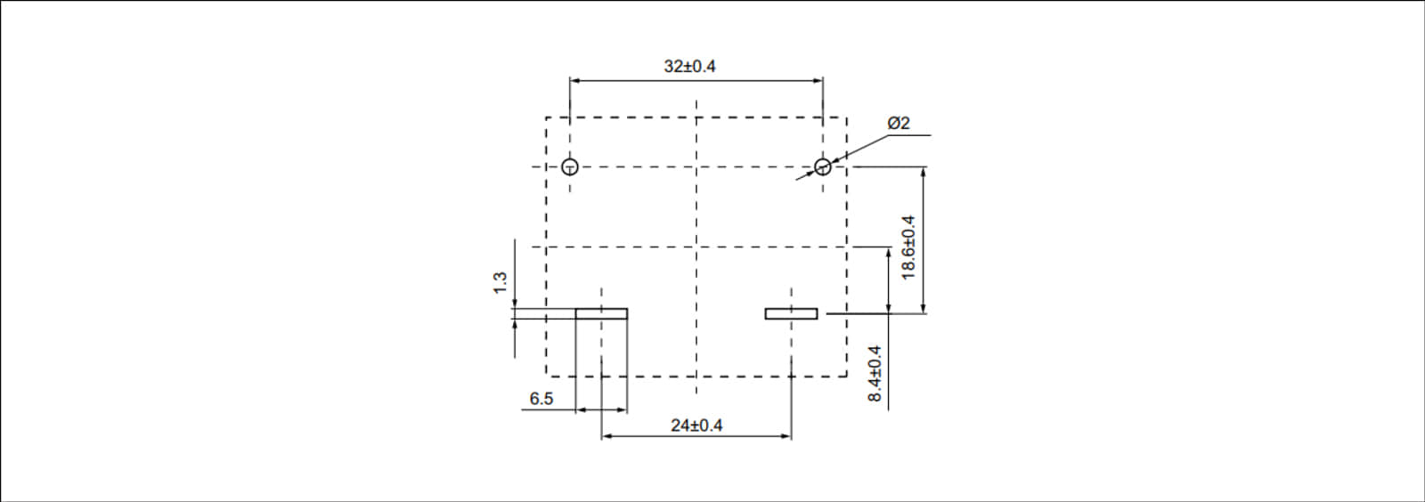
(1)产品部分外形尺寸未注尺寸公差,当外形尺寸≤1mm,公差为±0.2mm;当外形尺寸在 1~5mm 之间时,公差为±0.3mm;当外形尺寸>5mm 时,公差为±0.4mm;
(2)安装孔尺寸中未注尺寸公差的均为±0.1mm。