| 触点形式 | 触点材料 | 接触电阻 | 最大切换电流 | 最大切换电压 | 最大切换功率 | 电气寿命 | 机械寿命 |
1A | 银合金 | ≤100mΩ (1A 6VDC) | 50A | 277VAC | 13850VA | 6×103 次 OPS (50A 277VAC 阻性负载 85℃ 1s:9s) 3×104 次 OPS (43A 277VAC 阻性负载 85℃ 1s:9s) | 1×105 次 |
| 绝缘电阻 | 介质耐压 | 动作时间 | 释放时间 | 环境温度 | |
1000MΩ (500VDC) | 触点与线圈间 : 4500VAC 1min 断开触点间 : 2500VAC 1min | ≤20ms | ≤10ms | -40℃~+85℃ 线圈保持电压 (1.6W): 55%~80%UN 线圈保持电压 (3.8W): 40%~55%UN | |
| 振动 | 冲击 | 引出端方式 | 封装形式 | 重量 | |
| 稳定性 | 强度 | ||||
10Hz~55Hz 1.5mm 双振幅(DA) | 稳定性 196m/s²(10G) | 强度 980m/s² (100G) | 印制板式 PCB | 塑封型 | 约 : 25g |
| 额定电压 | 动作/复归电压 | 释放电压 | 最大允许电压 | 线圈电阻 Ω±10% | 线圈功耗 |
| 6 | ≤4.2 | ≥0.3 | 6.6 | 9.5 | 3.8W |
| 9 | ≤6.3 | ≥0.45 | 9.9 | 21.3 | |
| 12 | ≤8.4 | ≥0.6 | 13.2 | 38 | |
| 24 | ≤16.8 | ≥1.2 | 26.4 | 152 | |
| 6 | ≤4.5 | ≥0.3 | 6.6 | 22.5 | 1.6W |
| 9 | ≤6.75 | ≥0.45 | 9.9 | 50.6 | |
| 12 | ≤9 | ≥0.6 | 13.2 | 90 | |
| 24 | ≤18 | ≥1.2 | 26.4 | 360 | |
| 6 | ≤4.5 | ≥0.6 | 6.6 | 25.7 | 1.4W |
| 9 | ≤6.75 | ≥0.9 | 9.9 | 58 | |
| 12 | ≤9 | ≥1.2 | 13.2 | 103 | |
| 24 | ≤18 | ≥2.4 | 26.4 | 410 |
| 安全认证 | 证书编号 | 负载 |
| CQC | CQC22002333025 | 26A 277VAC 31A 250VAC 43A 277VAC 50A 277VAC |



注意事项:
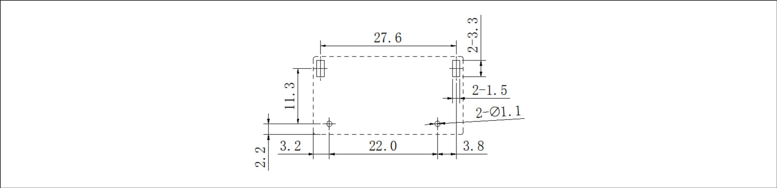
(1)产品部分外形尺寸未注尺寸公差,当外形尺寸≤1mm,公差为±0.2mm;当外形尺寸在 1~5mm 之间时,公差为±0.3mm;当外形尺寸>5mm 时,公差为±0.4mm;
(2)安装孔尺寸中未注尺寸公差的均为±0.1mm。