| 触点形式 | 触点材料 | 接触电阻 | 触点负载 | 最大切换电流 | 最大切换电压 | 最大切换功率 | 电气寿命 | 机械寿命 |
2A、2B | 银合金 | ≤0.5mΩ(1A 6VDC) | 200A 250VAC(阻性) | 200A(阻性) | 265VAC(阻性) | 4.8KVA | 6×103 次 | 1×105 次 |
| 绝缘电阻 | 介质耐压 | 动作时间 | 复归时间 | 冲击 | |
| 稳定性 | 强度 | ||||
1000MΩ (500VDC) | 触点与线圈间 : 4000VAC 1min(1 型) 触点与线圈间 : 2000VAC 1min(2 型) | ≤20ms | ≤20ms | 98m/s² | 980m/s² |
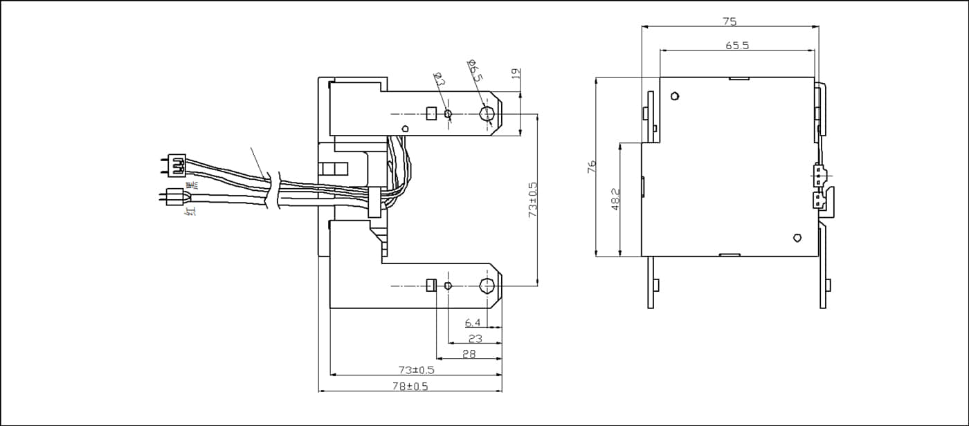
| 振动 | 湿度 | 温度范围 | 引出端方式 | 封装方式 | 重量 |
10Hz~55Hz 1.5mm 双振幅(DA) | 5%~85%RH | -40℃~85℃ | 快速连接 | 防尘罩型 | 约 : 400g |
| 额定电压 | 动作/复归电压 | 释放电压 | 最大允许电压 | 线圈电阻 Ω±10% | 线圈功耗 |
| 6 | ≤4.8 | ≥100 | 单线圈 | 3 | 约 12.0 |
| 9 | ≤7.2 | ≥100 | 6.75 | ||
| 12 | ≤9.6 | ≥100 | 12 | ||
| 24 | ≤19.2 | ≥100 | 48 | ||
| 48 | ≤38.4 | ≥100 | 190 | ||
| 6 | ≤4.8 | ≥100 | 双线圈 | 1.5/1.5 | 约 24.0 |
| 9 | ≤7.2 | ≥100 | 3.3/3.3 | ||
| 12 | ≤9.6 | ≥100 | 6/6 | ||
| 24 | ≤19.2 | ≥100 | 24/24 | ||
| 48 | ≤38.4 | ≥100 | 95/95 |


注意事项:
1、 磁保持继电器出厂状态为动作或复归状态,但因运输或继电器安装时受到冲击等因素的影响,可能会改变状态,因而使用时(电源接入时)请根据需要重新将其设置为复归状态或动作状态;
2、 为了确保磁保持继电器动作或复归,施加到线圈上的激励电压须达到额定电压,脉冲宽度须大于动作或复归时间的 5 倍;不要同时向动作线圈和复归线圈施加电压;不要长时间(大于 1 分钟)向线圈施加电压;
3、 不带软铜绞线的磁保持继电器负载引出脚不能焊锡,不能随意扳动。
4、 继电器通常为防尘罩结构,外接件按照客户特殊要求定制,所以推荐此产品的储存时间小于 6 个月,并注意仓储环境;同时为保证产品接触可靠性,在客户没有特别申明的情况下,我司将控制继电器触点为闭合状态。