CN
股票代码:301295
MLM-120
产品概述

120A 触点切换能力

线圈与触点间耐压为 4KV

环保产品(符合 RoHS)

可根据客户要求焊接附件

外形尺寸:(43.2×33.2×22)mm

您也可以拨打我们的客户服务热线 0577-62518886
触点参数


触点形式触点材料接触电阻触点负载最大切换电流最大切换电压最大切换功率电气寿命 机械寿命

1A、1B


银合金

≤1mΩ(1A 6VDC)

120A 250VAC(阻性)

120A(阻性)

250VAC(阻性)

30KVA

1×104 次 OPS1×105 次 OPS




性能参数


绝缘电阻介质耐压动作时间 复归时间温度范围振动

1000MΩ

(500VDC) 

触点与线圈间 : 4000VAC 1min

断开触点间 : 2000VAC 1min

≤20ms

≤20ms

-40℃~70℃

10Hz~55Hz 1.5mm 双振幅(DA)

湿度冲击引出端方式封装形式 重量
稳定性强度

45%-90%RH

98m/s²980m/s² 

快连接式 QC

防尘罩型

约 : 75g




线圈规格表



额定电压

动作/复归电压

脉冲宽度

线圈电阻

Ω±10%

线圈功耗
6≤4.8

≥50

单线圈

12

约 : 3.0
9≤7.2

≥50

27

12≤9.6

≥50

48

24≤19.2

≥50

192
6≤4.8

≥50

双线圈

6/6

约 : 6.0
9≤7.2

≥50

13.5/13.5

12≤9.6

≥50

24/24

24≤19.2

≥50

96/96

外形尺寸 


3.jpg



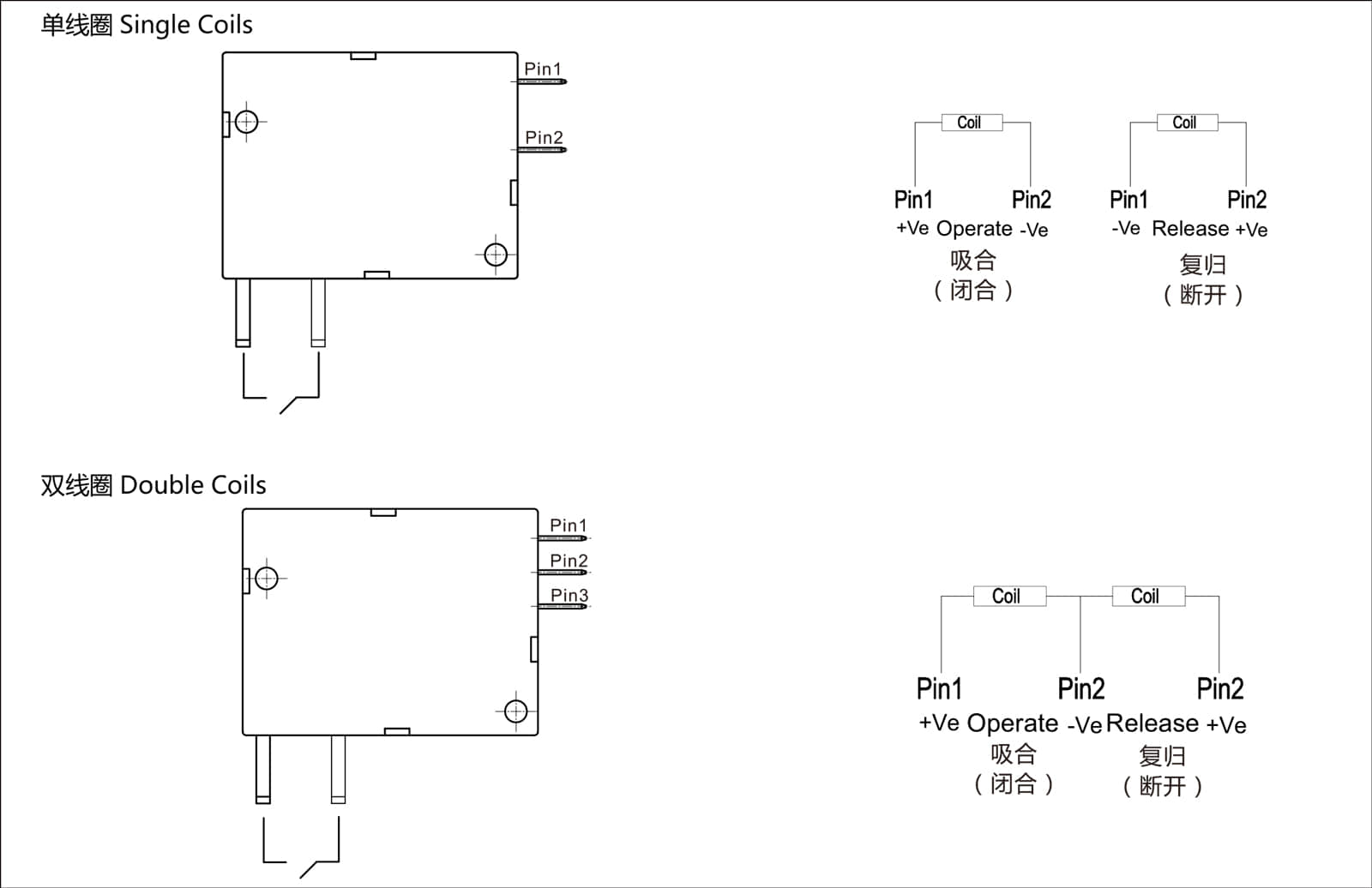
接线图


3.jpg

注意事项:

1、 磁保持继电器出厂状态为动作或复归状态,但因运输或继电器安装时受到冲击等因素的影响,可能会改变状态,因而使用时(电源接入时)请根据需要重新将其设置为复归状态或动作状态;

2、 为了确保磁保持继电器动作或复归,施加到线圈上的激励电压须达到额定电压,脉冲宽度须大于动作或复归时间的 5 倍;不要同时向动作线圈和复归线圈施加电压;不要长时间(大于 1 分钟)向线圈施加电压;

3、 不带软铜绞线的磁保持继电器负载引出脚不能焊锡,不能随意扳动。

4、 继电器通常为防尘罩结构,外接件按照客户特殊要求定制,所以推荐此产品的储存时间小于 6 个月,并注意仓储环境;同时为保证产品接触可靠性,在客户没有特别申明的情况下,我司将控制继电器触点为闭合状态。

重点产品推荐