| 触点形式 | 触点材料 | 接触电阻 | 额定负载 | 最大连续电流 | 最大切换电压 | 电气寿命 | 机械寿命 |
1A, 1B, 1C | 银合金 | NO: 典型值 Type.100mV 最大值 Max.300mV NC: 典型值 Type.100mV 最大值 Max.300mV | NO: 20A 14VDC NC: 15A 14VDC | NO: 20A NC: 15A | 16VDC | 1×105 次 OPS | 1×106 次 OPS |
| 绝缘电阻 | 介质耐压 | 动作时间 | 释放时间 | 环境温度 |
100MΩ (at 500VDC) | 触点与线圈间 : 500VAC 1min 断开触点间 : 500VAC 1min | ≤10ms | ≤5ms | -40℃ ~+85℃ |
| 振动 | 冲击 | 引出端方式 | 封装形式 | 重量 |
| 10Hz~500Hz,49m/s²(5G) | 98m/s²(10G) | 印刷电路板引出端 PCB | 塑封型 | 约: 6g |
| 额定电压 | 动作电压 | 释放电压 | 线圈电阻 Ω±10% | 线圈功率 | 允允许最大线圈电压 (1) | |
| 20℃ | 85℃ | |||||
| 6 | ≤3.6 | ≥0.5 | 60 | 约 : 0.6 | 9.7 | 7.3 |
| 9 | ≤5.4 | ≥0.7 | 135 | 12.1 | 8.6 | |
| 12 | ≤7.3 | ≥1 | 240 | 15.6 | 13.8 | |
| 18 | ≤10.8 | ≥1.5 | 540 | 21.6 | 19 | |
| 6 | ≤3.6 | ≥0.5 | 45 | 约 : 0.8 | 9.2 | 7.9 |
| 9 | ≤5.4 | ≥0.7 | 100 | 11.8 | 9 | |
| 12 | ≤7.3 | ≥1 | 180 | 16.8 | 11.8 | |
| 18 | ≤10.8 | ≥1.6 | 405 | 22.3 | 19.3 | |
| 24 | ≤14.4 | ≥2.2 | 720 | 28.2 | 23.6 | |
注意 : (1) 触点无负载电流 , 线圈电阻为最小值情况下 , 继电器线圈允许施加的最大连续工作电压。



备注 :
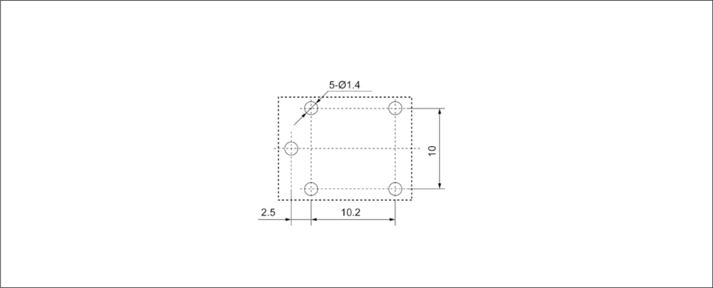
(1)产品部分外形尺寸未注尺寸公差,当外形尺寸 ≤1mm,公差为 ±0.2mm;当外形尺寸在 1~5mm 之间时,公差为 ±0.3mm;当外形尺寸> 5mm 时,公差为 ±0.4mm;
(2) 安装孔尺寸中未注尺寸公差的均为 ±0.1mm。
