| 触点形式 | 触点材料 | 接触电阻 | 触点负载(阻性) | 最大切换电流 | 最大切换电压 | 最大切换功率 | 电气寿命 | 机械寿命 |
1A, 1B, 1C | 银合金 | ≤50mΩ (1A 6VDC) | NO: 30A 250VAC/30VDC NO: 40A 250VAC NC: 20A 250VAC/30VDC | NO/ NC: 40A/20A | 250VAC/30VDC | 10000VA/1200W | 1×105 次 OPS | 1×106 次 OPS |
| 绝缘电阻 | 介质耐压 | 动作时间 | 释放时间 | 环境温度 | |
1000MΩ (at 500VDC) | 触点与线圈间 : 3500VAC 1min 断开触点间 : 1500VAC 1min | ≤15ms | ≤10ms | -40℃ ~+105℃ | |
| 振动 | 冲击 | 引出端方式 | 封装形式 | 重量 | |
| 强度 | 稳定性 | ||||
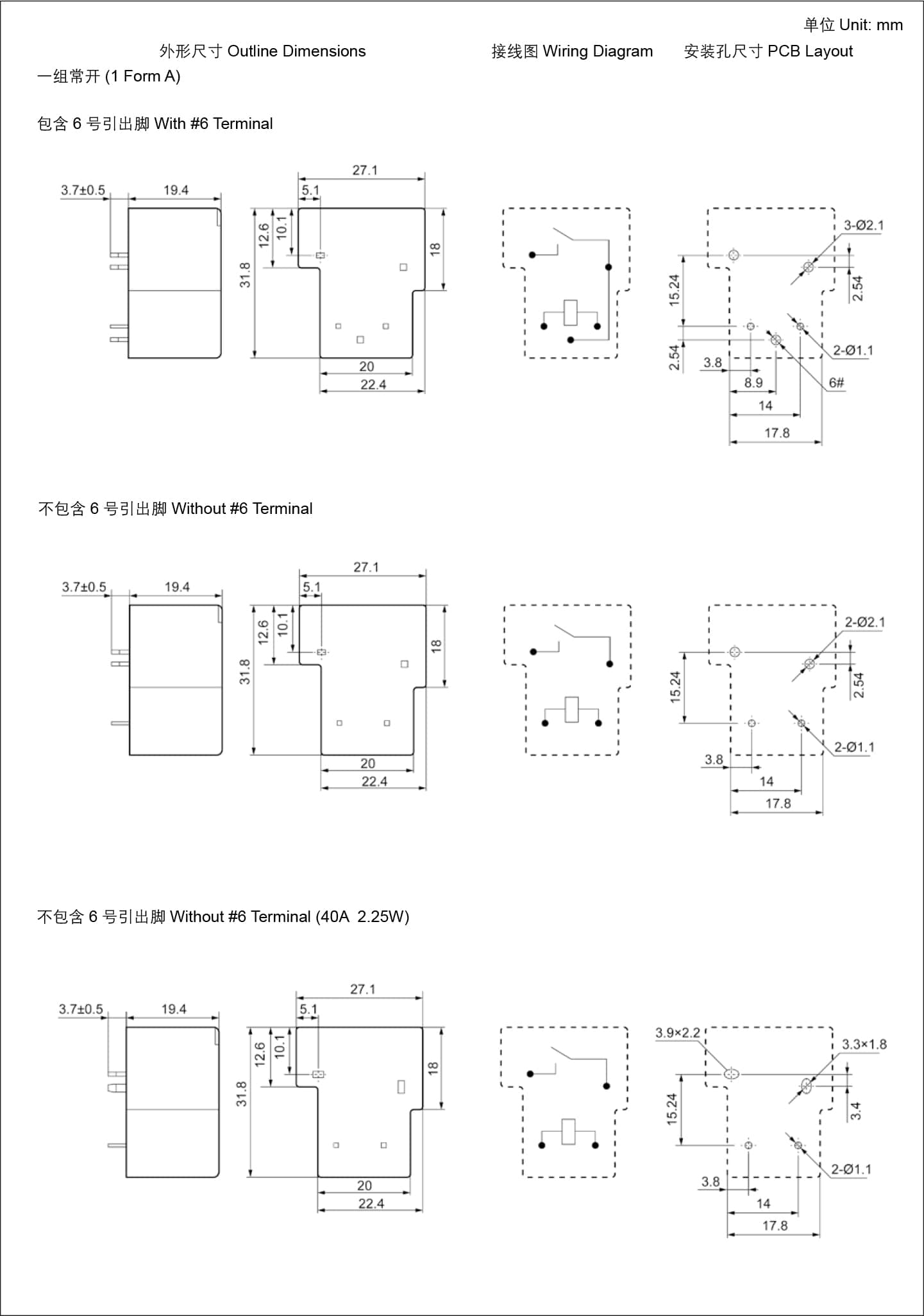
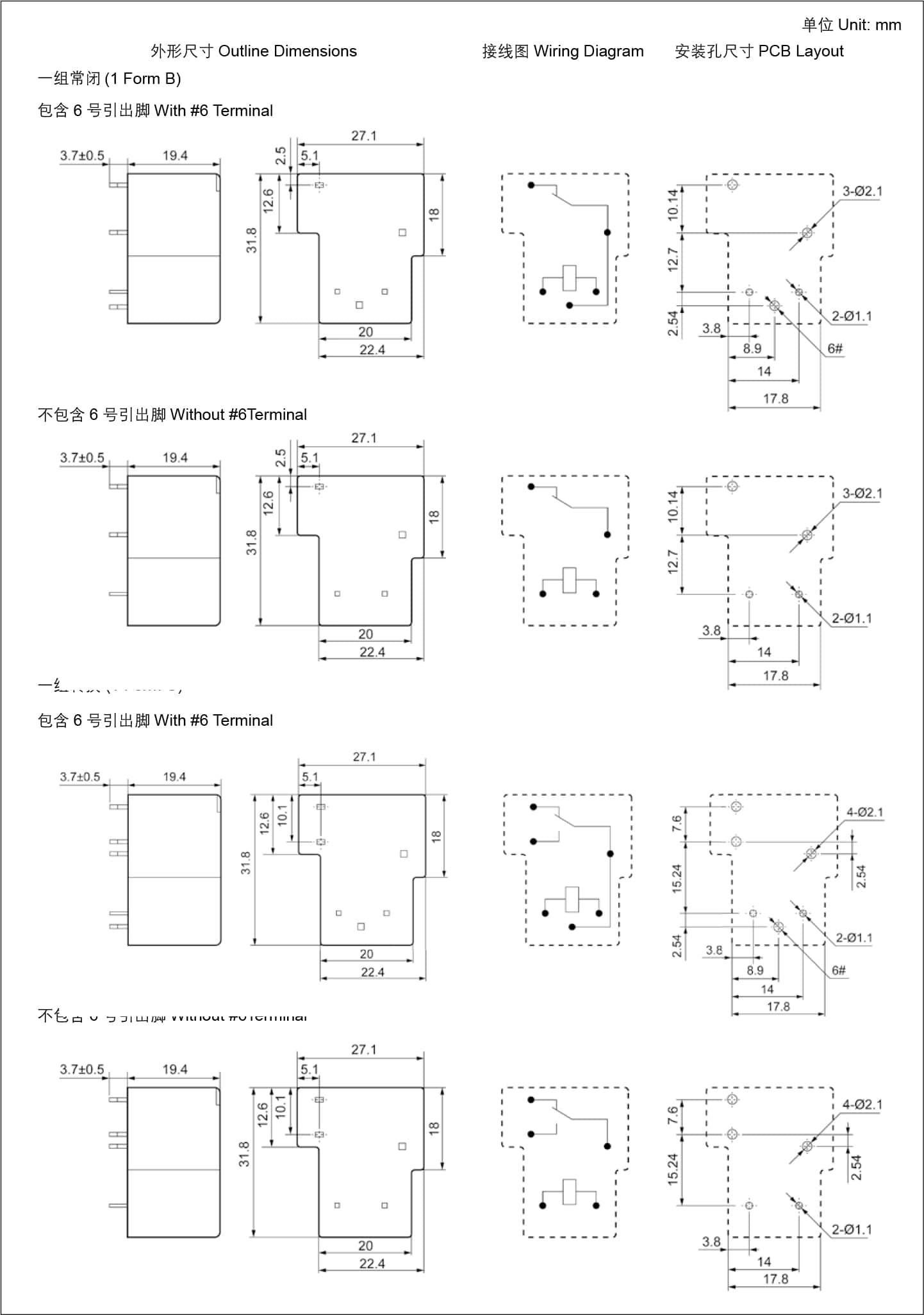
| 10Hz~55Hz 1.5mm 双振幅 (DA) | 98m/s² (10G) | 980m/s² (100G) | 印制板式 PCB | 敞开型 塑封型 防尘罩型 | 约: 35g |
| 额定电压 | 动作电压 | 释放电压 | 最大允许电压 | 线圈电阻 Ω±10% | 线圈功耗 |
| 5 | ≤3.75 | ≥0.25 | 7.5 | 28 | 约 : 0.9 |
| 6 | ≤4.5 | ≥0.3 | 9.0 | 40 | |
| 9 | ≤6.75 | ≥0.45 | 13.5 | 90 | |
| 12 | ≤9.0 | ≥0.6 | 18 | 160 | |
| 18 | ≤13.5 | ≥0.9 | 27 | 360 | |
| 24 | ≤18 | ≥1.2 | 36 | 640 | |
| 48 | ≤36 | ≥2.4 | 72 | 2560 | |
| 110 | ≤82.5 | ≥5.5 | 165 | 13444 | |
| 5 | ≤3.75 | ≥0.25 | 7.5 | 11 | 约 : 2.25 |
| 9 | ≤6.75 | ≥0.45 | 13.5 | 36 | |
| 12 | ≤9.0 | ≥0.6 | 18 | 64 | |
| 24 | ≤18 | ≥1.2 | 36 | 256 | |
| 48 | ≤36 | ≥2.4 | 72 | 1024 |
| 安全认证 | 证书编号 | 负载 |
| UL | E358149 | 1A:30A 240VAC/30VDC 1B:20A 240VAC/30VDC 1C(NO):30A 240VAC 20A 30VDC 1C(NC):20A 240VAC/30VDC 1A:40A 250VAC |
| TUV | R50184977 | 1A:30A 240VAC/30VDC 1C(NO):20A 240VAC/30VDC 1C(NC):10A 240VAC/30VDC |
| CQC | CQC10002051838 | NO:30A 250VAC/30VDC 40A 250VAC 30A 240VAC NC:20A 240VAC/30VDC 30A 250VAC 20A 250VAC |




备注 :
(1)产品部分外形尺寸未注尺寸公差,当外形尺寸 ≤1mm,公差为 ±0.2mm;当外形尺寸在 1~5mm 之间时,公差为 ±0.3mm;当外形尺寸> 5mm 时,公差为 ±0.4mm;
(2) 安装孔尺寸中未注尺寸公差的均为 ±0.1mm。
