CN
股票代码:301295
MPF
产品概述

16A 触点切换能力 

低高度,仅为 10.6mm 

灵敏型产品功耗仅为 0.2W 

外形尺寸 L×W×H: 23×16.1×10.6mm

您也可以拨打我们的客户服务热线 0577-62518886
触点参数


触点形式触点材料接触电阻

触点负载(阻性)

最大切换电流最大切换电压最大切换功率电气寿命机械寿命
1A银合金

≤100mΩ (1A 6VDC)

普通型 : 10A 250VAC/30VDC

高负载型 : 16A 250VAC/30VDC

16A250VAC

普通型 : 2500VA

高负载型 : 4000VA

1×105 次 OPS1×106 次 OPS




性能参数


绝缘电阻介质耐压动作时间释放时间环境温度

1000MΩ

(at 500VDC)

触点与线圈间 : 2500VAC 1min

断开触点间 : 1000VAC 1min

≤15ms≤8ms-40℃ ~+105℃
振动
冲击引出端方式封装形式 重量
强度稳定性
10Hz~55Hz 1.5mm 双振幅 (DA)

98m/s²

(10G)

980m/s²

(100G)

印制板式 PCB

塑封型

约: 9g 




线圈规格表


额定电压动作电压释放电压最大允许电压

线圈电阻

Ω±10%

线圈功耗
5≤3.75≥0.56.5125

约 : 0.2

6≤4.5≥0.67.8180
9≤6.75≥0.911.7405
12≤9≥1.215.6720
18≤13.5≥1.823.41620
24≤18≥2.431.22880
48
≤36≥4.862.411520





安全认证


安全认证证书编号 负载
ULE313266

10A 250VAC/30VDC

15A 125VAC

16A 250VAC/30VDC

TUVR50332928

10A 250VAC/30VDC

16A 250VAC/30VDC

CQCCQC15002128204

10A 250VAC/30VDC

16A 250VAC/30VDC

外形尺寸


3.jpg


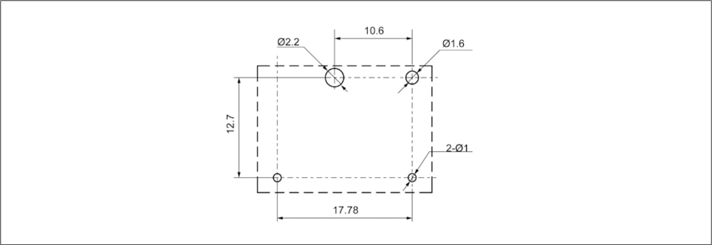
安装孔尺寸( 底视图 )


3.jpg


接线图( 底视图 )


3.jpg

备注 : 

(1)产品部分外形尺寸未注尺寸公差,当外形尺寸 ≤1mm,公差为 ±0.2mm;当外形尺寸在 1~5mm 之间时,公差为 ±0.3mm;当外形尺寸> 5mm 时,公差为 ±0.4mm;

(2) 安装孔尺寸中未注尺寸公差的均为 ±0.1mm。

性能曲线图


3.jpg


重点产品推荐