| 触点形式 | 触点材料 | 接触电阻 | 触点负载(阻性) | 最大切换电流 | 最大切换电压 | 最大切换功率 | 电气寿命 | 机械寿命 | |
| 标准型 | 灵敏型 | ||||||||
| 1A | 银合金 | ≤100mΩ(1A 6VDC) | 10A 250VAC 5A 250VAC | 5A 250VAC 10A 250VA | 10A | 250VAC/30VDC | 2500VA/300W | 1×105 次 OPS | 1×106 次 OPS |
| 绝缘电阻 | 介质耐压 | 动作时间 | 释放时间 | 环境温度 | |
1000MΩ (at 500VDC) | 触点与线圈间 : 4000VAC 1min 断开触点间 : 1000VAC 1min | ≤10ms | ≤5ms | -40℃ ~+105℃ | |
| 振动 | 冲击 | 引出端方式 | 封装形式 | 重量 | |
| 强度 | 稳定性 | ||||
| 10Hz~55Hz 1.5mm 双振幅 (DA) | 98m/s² (10G) | 980m/s² (100G) | 印制板式 PCB | 塑封型 | 约: 6g |
| 额定电压 | 动作电压 | 释放电压 | 最大允许电压 | 线圈电阻 Ω±10% | 线圈功耗 |
| 5 | ≤3.75 | ≥0.25 | 7.5 | 55.6 | 标准型 约 : 0.45 |
| 6 | ≤4.5 | ≥0.3 | 9 | 80 | |
| 9 | ≤6.75 | ≥0.45 | 13.5 | 180 | |
| 12 | ≤9 | ≥0.6 | 18 | 320 | |
| 18 | ≤13.5 | ≥0.9 | 27 | 720 | |
| 24 | ≤18 | ≥1.2 | 36 | 1280 | |
| 48 | ≤36 | ≥2.4 | 72 | 5120 | |
| 5 | ≤3.75 | ≥0.25 | 7.5 | 125 | 灵敏型 约 : 0.2 |
| 6 | ≤4.5 | ≥0.3 | 9 | 180 | |
| 9 | ≤6.75 | ≥0.45 | 13.5 | 405 | |
| 12 | ≤9 | ≥0.6 | 18 | 720 | |
| 18 | ≤13.5 | ≥0.9 | 27 | 1620 | |
| 24 | ≤18 | ≥1.2 | 36 | 2880 | |
| 48 | ≤36 | ≥2.4 | 72 | 11520 |
| 安全认证 | 证书编号 | 负载 |
| UL | E358149 | 10A 250VAC/30VDC 5A 250V/30VDC 10A 125VAC/30VDC |
| TUV | R50184948 | 10A 250VAC/30VDC 5A 250VAC/30VDC |
| CQC | CQC10002049964 | 10A 250VAC/30VDC 5A 250VAC/30VAC |



备注 :
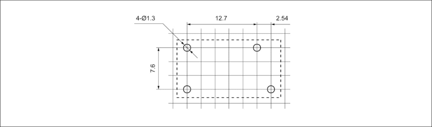
(1)产品部分外形尺寸未注尺寸公差,当外形尺寸 ≤1mm,公差为 ±0.2mm;当外形尺寸在 1~5mm 之间时,公差为 ±0.3mm;当外形尺寸> 5mm 时,公差为 ±0.4mm;
(2) 安装孔尺寸中未注尺寸公差的均为 ±0.1mm。
